
토요타가 수냉식 수소 연료 엔진에 대한 특허를 출원했다. 미국 자동차 전문매체 카버즈(CarBuzz)는 미국 특허청에서 해당 특허를 발견했다고 5일 보도했다.
해당 특허는 기존 토요타가 시판해온 수소연료전지차 미라이와는 완전히 다른 기술이다. 기본적으로 전통적인 내연기관과 동일하게 작동하지만 휘발유 대신 수소 가스를 연료로 사용한다는 게 특징이다. 토요타는 올해 초 수소 연료 엔진을 탑재한 AE86 콘셉트를 선보이기도 했다.

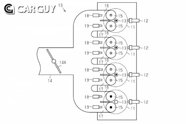
토요타가 특허를 출원한 수소연료 엔진은 독특하게도 엔진 내 흡기 밸브가 개폐될 때 물을 분사하도록 설계했다. 전통적 내연기관의 경우, 엔진오일과 연료의 혼합을 막기 위해 냉각 라인을 별도로 설계한다. 토요타는 이에 대해 "물방울의 입자가 작으면 증발하기 때문에 실린더 내부로 물이 유입되는 게 큰 문제가 되지 않는다"고 설명한다.

전통적 내연기관과 달리 실린더 내부로 물을 직접 공급하는 이유는 수소연료 엔진의 뜨거운 온도 때문이다. 기존 내연기관은 연료 기화로 인해 실린더의 냉각 효과를 일부 얻을 수 있었다. 수소 연료 엔진은 실린더 내부 온도가 이보다 훨씬 높아 비정상적인 연소가 발생할 가능성이 높다. 이에 따라 토요타는 실린더 내부로 물을 직접 공급하는 방법을 채택했다.
이 모든 과정은 당연히 ECU에 의해 정밀하게 제어된다. ECU는 엔진의 작동 상태를 주시하고 분사할 물의 양을 결정한다. 중요한 건 토요타가 고성능 수소 연료 엔진의 냉각 해결책을 찾았다는 데 있다. 이 엔진이 실제 양산차에 장착되는 것은 일러야 2030년 전후가 예상된다.
서동민 에디터 dm.seo@carguy.kr
Copyright © 카가이 모든 콘텐츠(영상,기사, 사진)는 저작권법의 보호를 받은바, 무단 전재와 복사, 배포 등을 금합니다.