전자석의 원리 '닥터 모터 컨트롤'
[쇼핑저널 버즈] 이번 시간에는 먼저 전자석의 원리에 대해 알아보겠습니다. 그리고 모터에 대해 알아보겠습니다.■ 전류의 흐름과 자기장전자석과 모터는 얼핏 보면 별로 관계가 없을 것 같지만 밀접한 관련이 있습니다. 도선에 전류를 흘리면 재미있는 현상이 발생하는데 바로 주변에 자기장이 만들어진다는 것입니다.
이렇게 만들어진 자기장은 눈에는 보이지 않지만 분명 어떠한 힘을 가지고 있습니다. 그래서 도선 주위에 철조각을 뿌려놓으면 아래 그림처럼 원형으로 철조각들이 놓이게 됩니다.
|
|
도선에 전기를 흐를 때 주의 철 조각들의 변화 |
우리가 만든 전자석도 이러한 원리를 이용한 것입니다. 자석은 N극과 S극이 있는데 전자석의 N극과 S극은 어디일까요? 전자석은 에나멜선을 감는 방향에 따라 N극과 S극이 결정됩니다. 아래 그림처럼 말이죠. 이것을 앙페르의 오른 나사 법칙이라고 합니다.
|
|
앙페르의 오른 나사 법칙 |
끝으로 전자석의 세기를 높이려면 에나멜선을 많이 감거나 혹은 두꺼운 것을 사용하면 됩니다.■ 플레밍의 법칙이렇게 전기와 자기가 밀접한 관계가 있는 것처럼 전자석과 모터 역시 밀접한 관계에 있습 니다. 우리가 흔히 보는 모터는 전기의 힘으로 회전시키는 장치이지만 반대로 회전을 시키면 전기가 나오는 발전기도 됩니다.
전기와 자기의 관계는 한두 장의 내용으로 설명하기는 양이 많고 복잡하므로 간단하게 플레밍의 법칙에 대해서만 설명하도록 하겠습니다. 플레밍의 법칙이란 자기장 속에서 전류가 흐르는 물질은 어떠한 방향으로 움직이느냐에 대한 내용입니다.
오른쪽 그림은 플레밍의 오른손 법칙이라 하고 자력을 통해 전기를 발생시키는 발전기에 사용되고 오른쪽 그림은 플레밍의 왼손 법칙이라 하여 전기를 통해 힘을 발생시키는 모터의 원리가 됩니다.
서로 아무 상관이 없어 보일 것 같은 전기와 자기가 이런 관계가 있으니 신기하지요? 왼손, 오른손을 아래 그림처럼 만들어 보세요.
|
|
|
B : 자속, I : 기전력, F : 힘 |
|
■ 직류 모터의 원리플레밍의 왼손 법칙을 이용하여 만든 것이 아래 그림과 같은 모터입니다. N극과 S극 사이에 왼손으로 플레밍의 왼손 법칙을 적용해 보면 가운데 회전자가 어떻게 힘을 받아서 움직이는지 알 수 있어요.
|
|
직류 모터의 원리 |
|
|
실제 모터는 꽤 복잡하지만 기본적인 구조는 위에서 설명한 것과 동일합니다. 모터의 원리를 이해하기 위하여 아래 그림처럼 간단하게 직류 모터를 만들어 보는 것도 재미있으리라 생각됩니다.■ 직류 모터를 움직이기넷브레인(NetBrain)을 통해 직류 모터를 움직여 보도록 합시다. 아래 그림은 넷브레인을 통해 직류 모터를 움직이는 모습입니다. 그냥 회전만 시키면 재미가 없으니까 선풍기의 자연풍과 같이 빠르게 혹은 천천히 회전시키게 만들었습니다.
|
|
넷브레인으로 직류 모터를 회전 |
|
|
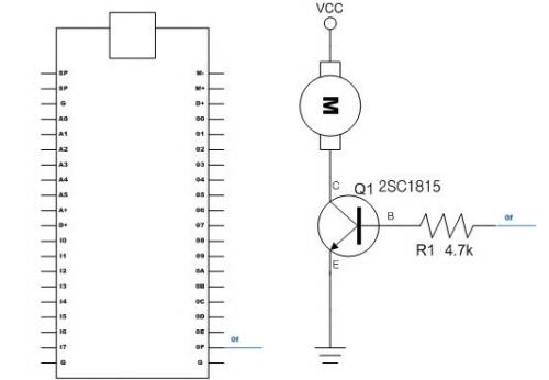
모터를 구동하기 위한 회로도 |
모터를 움직이기 위해서 한 가지 주의해야 할 점이 있는데 (다른 키트도 마찬가지이겠지만) 넷브레인의 출력만으로는 모터를 구동하기에 전류가 부족하기 때문에 트랜지스터를 이용해서 증폭해야 합니다. 아래 회로도와 같이 연결하면 됩니다. 모터는 주변에서 흔하게 접하는 장난감 모터를 사용하면 됩니다.
회로도를 모두 완성했으면 콘텐츠 컴포우저를 이용해서 모션콘텐츠를 다음과 같이 배치합니다.
|
|
DC_motor.mcc |
Start.js의 프로그램은 아래와 같이 작성합니다. 직류 모터와 연결된 15번 출력 핀의 사용을 선언하였고, 변수를 이어서 선언합니다.
var DC_motor = robot.findDevice("NetBrain.OUT15");var rpm; |
그 다음으로 DC_motor.js는 아래와 같이 작성합니다.
rpm = Math.random()*1000;DC_motor.write(rpm); |
먼저 Math.random() 함수를 이용해서 0~1까지의 숫자를 무작위로 생성한 후에(이 값이 너무 작기 때문에) 1000을 곱한 후 출력합니다. 이렇게 하면 모터의 속도가 무작위로 변하면서 회전하게 됩니다. rpm 값을 이리저리 바꿔보면서 출력해 보면 모터의 속도가 바뀌는 것을 확인 할 수 있어요.
[ 관련기사 ]▶ 케이디파워, 전자석기반 배선차단기 최초 선보여▶ 액추에이터의 요소기술, 전자석이버즈 트위터에 추가하기월간로봇 정상훈 기자(www.jejisa.kr)'IT 제품의 모든것'-Copyright ⓒ ebuzz.co.kr, 무단전재 및 재배포 금지
Copyright © 전자신문. 무단전재 및 재배포 금지.
- 마크롱 만난 이재용·정의선…한-프랑스 미래산업 동맹 '본격화'
- “구형 케이블로 충전한다”...아이폰 17 프로용 '역발상 케이스' 등장
- 카카오모빌리티, 자율주행 승부수…R&D 역대 최대
- 삼성전자 탈(脫) Arm 신호탄…오픈소스 기반 SSD 컨트롤러 독자 개발
- 중동 전쟁 장기화에 의료공급망 '비상'…복지부, 병원 수급 전수점검
- 강아지 저승길, 돈까지 두둑하게?… 사후세계도 챙기는 中 '반려동물 장례식'
- “왜 항상 새벽 3시에 깨?”… 여성에게 더 흔한 '이 현상' 이유 밝혀졌다
- 일란성 쌍둥이와 교제해 낳은 아이…법원 “DNA로 친자 확인 불가”
- “100% 땅콩 아니어도 돼” 고칼로리 땅콩버터의 반전…“혈당·체중 관리에 도움”
- 테슬라 3월 수입차 시장 1위…BMW IX3로 탈환 노린다








