배양접시에 키운 뉴런, '퐁' 게임 플레이하다
(지디넷코리아=한세희 과학전문기자)호주 연구진이 배양접시에 키운 신경 세포에 '퐁' 게임 하는 법을 가르쳤다. 미국에선 사람 뇌를 모방한 미니 장기 '오가노이드'를 쥐의 뇌에 이식해 감각을 인식하게 하는데 성공했다.
직접 연구하기 어려운 퇴행성 뇌신경질환 연구를 위한 새로운 수단이 되리란 기대다. 하지만 윤리 문제에 대한 우려도 나온다.
■ 배양접시에서 키운 뉴런에 게임 가르쳐
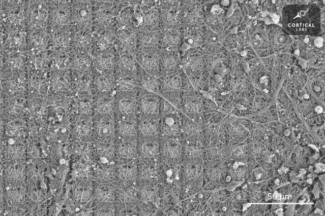
호주 바이오기업 코티컬랩스와 모나시대학 등 공동 연구진은 배양접시에서 뇌 신경 세포와 미세전극을 연결, 외부와 피드백을 주고받게 한 '디시브레인(DishBrain)'을 개발하고 '퐁' 게임을 학습해 플레이하게 했다. 퐁은 화면 양끝의 긴 막대 모양 채를 위아래로 움직여 서로 공을 주고받는 초창기 비디오게임이다.

이 연구 결과는 12일(현지시간) 학술지 '뉴런'에 실렸다.
연구진은 디시브레인 회로의 왼쪽과 오른쪽 전극에서 나오는 신호는 공이 어느 쪽에 있는지를, 신호의 주기는 공과 채의 거리를 나타내도록 설정했다. 채는 자극에 반응해 신경 세포에서 나오는 신호에 따라 움직였다.
뉴런이 공을 제대로 받아치는 신호를 보낸 경우 일정한 위치에서 안정적 피드백을 보냈고, 공을 제대로 치지 못했을 때엔 위치와 간격이 불안정한 신호를 보냈다. 이는 생체 세포는 가능한 안정적 환경을 유발하는 행동을 반복한다는 가설에 기반한 것이었다. 이같은 방식으로 연구진은 생체 외부에 있는 신경 세포가 주변 환경에 적응, 게임 하는 법을 배우게 했다.

이 연구는 뇌신경 질환에 대한 연구, 또는 신약이나 유해 물질이 뇌에 미치는 영향 등을 연구하는데 기여할 것으로 기대된다. 연구진은 앞으로 디시브레인을 활용, 약물과 알콜이 뇌에 미치는 영향을 연구할 계획이다. 나아가 생체 기반 컴퓨팅 기기 제조에도 응용될 전망이다.
■ 인간 줄기세포로 만든 미니 뇌, 쥐에 이식
미국 스탠포드대 연구진은 인간 줄기세포로 만든 피질 오가노이드를 갓 태어난 쥐의 대뇌피질 중 체감각을 감지하는 부위에 삽입, 연구 결과를 12일(현지시간) 학술지 ‘네이처’에 공개했다. 이는 마치 "회로에 트랜지스터를 끼우듯" 성공적으로 작동했다고 연구진은 밝혔다.
오가노이드란 줄기세포를 배양하거나 재조합해 만든 유사 장기로, '미니 장기'라고도 한다. 신약 개발이나 질병 연구에 활용 가능성이 크지만, 혈관이 형성되지 않아 수명이 짧기 떄문에 연구에 제약이 있다.
연구진은 불이 켜질 때 수도꼭지를 핥으면 물이 나오게 해 쥐를 훈련시켰다. 이후 쥐의 뇌에 박은 광섬유로 인간-쥐 하이브리드 뇌에 빛을 비추자 쥐는 수도꼭지를 핥았다. 이는 인간 뇌 오가노이드가 쥐의 뇌와 잘 통합됐음을 보여준다.
또 연구진이 쥐의 수염을 만지자 사람 세포 부분이 신호를 내보냄도 확인했다. 사람 세포 부분이 감각을 수용하는 기능을 제대로 수행한다는 의미다.

반면, 자폐와 비슷한 증상을 보이는 티모시증후군 환자의 줄기세포로 만든 오가노이드는 쥐에 이식된 후 일반 오가노이드에 비해 작게 자랐고 기능도 미비했다.
이 기술을 응용하면 뇌의 작용이나 신약이 뇌에 미치는 영향 등을 실제 인간 뇌와 보다 비슷한 환경에서 살펴볼 수 있어 관련 연구에 돌파구가 되리란 기대다. 세르지우 파스카 스탠포드대 연구원은 "이번 연구는 기존 체외 모델을 통한 연구의 한계를 넘을 수 있다는 가능성을 보여준다"라며 "정신질질환이 뇌의 기본 회로 수준의 미묘한 차이에서 기인하는 경우가 많다는 점에 비추어, 이는 중요한 진전"이이라고 말했다.
■ 의식은 무엇?...윤리 우려도 제기
이들 연구는 뇌질환 치료 연구에 가능성을 제시하는 한편, 인간의 의식과 지성에 대해서도 새로운 질문과 우려를 동시에 던진다는 평가다. 마이크로전극이나 쥐의 뇌 등 인간 생체가 아닌 곳에서 인간 뇌 활동을 일부나마 재현하기 때문이다.
코티컬랩스는 주변 환경에 적응해 행동을 바꾸는 브레인디시에 대해 '지각이 있다(sentient)'라고 표현한다. 브렛 케이건 코티걸랩스 최고과학자는 "이 연구는 지능에 대한 이해의 새 지평을 연다"라며 "살아있고 지능이 있다는 것, 변화하는 환경에서 정보를 처리하고 지각을 갖는 것이 어떤 것인지에 대한 근원적 문제를 제기한다"라고 말했다.

다만 이들 연구진이 말하는 '지각'은 감각을 느낀다는 사전적 의미의 '지각이 있는' 상태와는 다르고, 세포가 스스로 게임을 하고 있다는 것을 인식하는 것은 아니다.
스탠포드대 연구진의 쥐 실험은 쥐에서 예기치 못한 해를 끼치거나, 나아가 쥐의 뇌에서 인간 의식이 나타나게 할 지도 모른다는 우려도 낳는다. 연구진은 사람의 뇌 오가노이드를 이식받은 쥐가 기억에 문제를 일으키거나 특별히 달라진 행동을 보이지 않았다고 밝혔다.
하버드대학에서 분자생물학을 연구하는 파올라 알로타는 네이처에 "관련 연구가 발전함에 따라 문제가 일어날 가능성은 상존한다"라며 "오가노이드 연구의 위험과 질병 치료의 유익 사이의 균형을 찾아야 한다"고 말했다.
한세희 과학전문기자(hahn@zdnet.co.kr)
Copyright © 지디넷코리아. 무단전재 및 재배포 금지.
- 초전도 기술 활용, 뇌 모방 뉴로모픽 컴퓨팅 개발
- 류마티스에 따라오는 인지장애, 뇌 속 '마오비' 효소가 원인
- 정무경 사피온 CTO "AI반도체, 인간 뇌 묘사"
- 두개골 안 열고 뇌 신경망 관찰하는 현미경 개발
- [종합] 모티프 합류한 독파모 2차전, 8월에 결판…독자성·데이터 활용성 '관건'
- [단독] AI 사업 대가 기준 '1.5배' 오른다…"최종 논의 중"
- 정부, 구글에 지도 내줄까…‘데이터센터’ 국내 설립 관건
- 단독중계의 함정…김 빠진 올림픽, 월드컵은 버틸까
- 정부, 고성능 GPU 1만5천장 확충한다…다음주 사업 공고 전망
- 프랜차이즈, 자사앱 활성화 안간힘…이용자 보호는?