[단독]최치원이 노닐던 월영대 각석에서 수수께끼 명문이 발견됐다
[경향신문]

“푸른 물결 호묘(浩渺)하고 돌이 우뚝한데, 그 안에 봉래 학사(蓬萊學士·최치원) 놀던 축대가 있네.”(정지상) 고려 중기 문인인 정지상(~1135)이 ‘최치원이 노닌 곳’으로 지목한 경남 창원 합포구의 월영대(경남도기념물 125호)가 있다. 당나라에서 귀국한 최치원은 894년(진성여왕 8년) 시무 10여개조를 올려 아찬(6등급)에 임명됐다가 곧 시기·질투 때문에 유유자적의 길을 택했고, 최후에는 가족과 함께 가야산에 은거했다. 월영대는 최치원이 가야산에 입산하기 직전 머물렀던 곳이라 한다. 그런데 그 월영대에는 지금까지 높이가 2m가 넘고(최대 228㎝) 폭이 35㎝나 되는 각석이 떡하니 놓여있다.

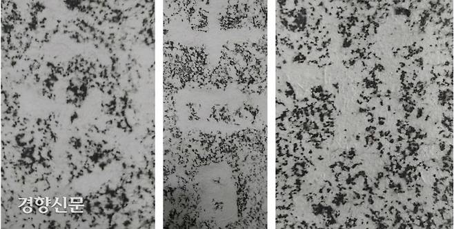
그리고 그 각석에는 해서체로 ‘월영대(月影臺)’(세로 22.5~27㎝ 정도)라고 새긴 커다란 명문이 보인다. 그리고 이 명문은 최치원의 친필글씨로 알려져왔다. 그런데 이 각석의 ‘월영대’ 글씨 양 옆에 작은 명문들이 다수 새겨져 있다는 사실이 처음 밝혀졌다.
박홍국 위덕대 박물관장은 “2016년부터 5차례에 걸쳐 현지조사를 통해 월영대 각석에서 17자 정도의 글자를 판독했다”고 4일 밝혔다. 박 관장은 이같은 조사결과를 담은 논문(‘창원 월영대 각석면의 선대 명문’)을 신라사학회가 2020년 12월30일 간행한 학술지(<신라사학보> 50)에 발표했다.

박 관장이 이 명문을 주의깊게 관찰한 것은 2016년 1월이었다. 성균관대 박물관이 2008년 펴낸 <신라금석문 탁본전>을 살피다가 ‘월영대’ 탁본의 글씨 옆 쪽에 보이는 ‘十四日(십사일)’ 명문을 확인한 것이다. ‘십사일’ 아래 위에도 세로로 쭉 이어진 글씨들이 보였다.
박 관장은 이후 이영호 경북대 교수와 함께 탁본작업을 벌였고, 여러 연구자들과 함께 현지조사를 벌여 글자를 판독했다. 작은 명문들은 자형에 따라 3.5~8㎝로 차이가 컸고, 마멸이 심해 판독에 어려움을 겪었다.

그나마 뚜렷하게 남아있는 북면의 명문은 3행 정도가 식별 가능했다. 각 행에는 22~23자가 새겨져있다고 짐작되지만 판독가능한 글자는 3행을 합해도 17자에 불과했다. 박홍국 관장은 “그중 제1행에서 간지에 해당되는 ‘△亥’ 위에는 아마도 연호가 새겨져 있었을 것으로 판단된다”고 밝혔다. 그 윗부분에 ‘二十(이십)’이라는 숫자가 보이기 때문이다. ‘二十’ 다음에는 ‘一’자가 존재했을 가능성도 배제할 수 없다. 그렇다면 이 부분은 ‘△△二十(혹은 二十一年<?>)△亥 七月 十四日…’로 읽을 수 있다.

박 관장은 ‘해(亥)’를 기준으로 삼국시대에 처음 사용된 연호, 즉 고구려 광개토대왕의 영락 원년인 390년부터 ‘월영대’ 기사가 등장하는 <신증동국여지승람>이 편찬된 1530년(중종 25년)까지 일치할 가능성이 있는 연호와 간지(해·亥)를 대조해보았다. 그중 해당되는 연호와 간지는 603년(계해)인 건복 20년(신라 진평왕 25년)과 411년(신해)인 영락 21년(고구려 광개토대왕 21년), 그리고 1191년(신해)인 건우 21년(서하국 연호·고려 명종 21년) 등이었다.

여기서 숫자 ‘20’을 ‘二十’으로 새겼다는 것이 못내 걸렸다. 한국과 중국의 고대 비석들은 공통적으로 ‘20’’을 ‘입(혹은 卄)’으로 ‘30’을 ‘삽’으로 표현한다. 박 관장은 이런 점 때문에 ‘20’을 ‘입(혹은 卄)’이 아니라 ‘二十’으로 새겼고, 연호가 있는 것으로 보아 이 각석이 고려, 즉 1191년(신해년·건우 21년)이나 그 이후로 건립된게 아닌가 짐작했다. 그러나 박 관장은 통일신라 시대인 771년(혜공왕 7년) 조성된 성덕대왕 신종에도 ‘三十’이라는 명문이 보이고, 중국 금석문에서도 드물게 ‘二十’ 혹은 ‘三十’으로 표기한 사례를 찾아냈다. 이 각석의 조성시기를 고려 이전으로 올려 볼 수 있는 근거를 마련한 것이다. 또한 각석의 서쪽면 중간부분과 밑부분에 걸쳐서도 ‘월(月)△영(影)△유(遺)차(此?)’라는 명문이 흐리게 보인다.

그렇다면 ‘월영대’라고 새긴 큰 글자는 무엇인가. 이 ‘월영대’ 명문은 최치원의 친필로 알려져왔다. 그런데 이번에 확인된 작은 명문들과 이 ‘월영대’ 큰 글자의 선후관계가 확연하다는게 박 관장의 주장이다.
즉 ‘△△二十(혹은 二十一)△亥’로 대표되는 작은 글자들을 무시하고 그 위에 최치원의 친필글씨라는 ‘월영대’ 큰 글씨 3자를 새겼다. 작은 명문이 먼저, 그리고 ‘월영대’ 3자 명문이 후대에 새겨진 것이 분명하다. 아닌게 아니라 고려 중기 문인 정지상의 ‘우뚝한 돌 봉래학사(최치원) 노닐던 축대’ 운운한 시는 물론, 여말선초의 문신인 이첨(1345~1405)의 ‘고운 선생이 월영대를 거닐었다’는 시에도 ‘월영대’ 3자 명문 이야기는 없다.
박홍국 관장은 “만약 ‘월영대’ 3자 명문이 최치원 친필글씨였다면 정지상이나 이첨 등이 반드시 ‘월영대=최치원 친필글씨’ 사실을 거론했을 것”이라고 밝혔다. 그렇다면 1530년(중종 25년) 편찬된 <신증동국여지승람>이 “회원현(마산·지금은 창원시 합포구) 서쪽 바닷가 최치원이 놀던 곳에 글을 새긴 돌이 있으나 벗겨지고 부서졌다”고 기록한 것은 무엇인가.

박홍국 관장은 “<신증동국여지승람> 내용 중 ‘벗겨지고 부서졌다’는 글씨는 바로 이번에 확인한 작은 명문들이고 ‘월영대’ 3자의 대자명문은 일러도 1530년 이후에 새겨진 게 아닐까 추정한다”고 조심스럽게 밝혔다. 물론 박 관장은 “만약 월영대가 최치원의 친필글씨가 맞다해도 이번에 확인된 작은 명문들은 최치원 이전의 고비(古碑)인 것은 분명한 사실”이라고 말했다.
2m가 훨씬 넘는 이 각석을 보면 뭔가 심상치않다는 사실을 느낄 수 있다. ‘월영대’ 명문을 바라보는 방향에서 오른쪽 면은 깔끔하게 다듬어져 있지만 왼쪽면은 울퉁불퉁하다는 것이다. 박홍국 관장은 “원래 직사각형이었던 큰 돌이 지금처럼 두 조각으로 동강난 게 아닌가 추정된다”고 밝혔다. 울퉁불퉁한 왼쪽면이 동강난 면이라는 것이다. 그렇다면 왜 이렇게 엄청난 크기의 직사각형 돌을 만든 것일까.
박홍국 관장의 추정은 두가지로 나뉜다. 먼저 이 큰 돌이 선박 등의 계류장치로 제작됐다가 세로방향으로 쪼개진 뒤 오른쪽 돌을 비석으로 활용됐고, 어느 시점에 그 위에 ‘월영대’ 3자를 덧새겼을 가능성이 있다.
또 한가지 원래부터 명문을 가득 채운 비석으로 제작됐고, 이것이 어느 시기에 선박의 계류장치 등으로 재활용됐다가 두 조각으로 쪼개진 뒤에 다시 비석의 한 면(북면)에 ‘월영대’ 3자가 덧새겨졌을 수도 있다.

박홍국 관장은 “만약 두 조각으로 동강나지 않았고, 한면 전체가 비석면이었다면 광개토대왕 비문의 3분의 1정도 되는 상당한 규모였을 것으로 추정된다”고 밝혔다. 그렇다면 나머지 한 조각은 어떻게 되었을까. 왼쪽 면에는 깊이 2.3㎝, 폭 18.5㎝의 가로 홈이 파여 있는 것이 단서가 된다. 박홍국 관장은 “이 홈이 선박 등 계류장치로 쓰기 위해 관통시킨 구멍”이라고 추정했다. 박관장은 또한 “이 옛 비석의 고졸(古拙)한 서체, 마모상태 등을 볼 때 아무래도 통일신라시대 또는 그 이전에 세워졌을 가능성이 조금 높아 보인다”고 말했다. 물론 현재까지 판독한 명문은 단 17자에 불과하므로 이 각석의 정확한 조성연대도 알 수 없고, 최치원 등과의 연관성 등도 파악할 수 없다. 박홍국 관장은 “이번에 이 각석에 명문글씨가 확인됐다는 사실만 학계에 보고하는 것으로 만족한다”며 “아마도 국가기관의 첨단장비를 동원하면 더 많은 글자를 판독할 수 있을 것”이라고 기대했다.
창원|이기환 선임기자 lkh@kyunghyang.com
Copyright © 경향신문. 무단전재 및 재배포 금지.
- 혐중 집회에 ‘이재명=하메네이’?···극우단체 행진 명동 진입 제한
- “경유 300원 올랐는데 운송비 그대로, 이대론 못 버텨”···유가 급등 ‘직격’ 화물노동자들
- 대만 고비 못 넘고 ‘WBC 8강행 위기’···김도영 활약도 빛 바래
- 법원 “이규원 전 검사 해임 취소하라” 조정 권고···‘김학의 출국금지 관여’ 관련
- 하와이에서 결혼하는 일본인들, 왜?···헛도는 ‘부부별성’ 논의 속 ‘내 이름 지키기’ 안간
- 이번엔 ‘벤틀리 운전자’···‘포르쉐 추락’에 이어 약물 운전 혐의 체포
- “‘전한길 뉴스’도 있는데, 청소년 언론은 왜 인정 못 받나요”···헌법소원 낸 이유
- 마통 잔액, 닷새 만에 1조3000억 불어···미 이란 공습 전후 ‘빚 투자’ 심화
- 이 대통령 “‘여가부 폐지’ 내건 전 정부서 후퇴 겪어···흐름 되돌려 성평등 사회로”
- 참사 1년 넘었는데 아직도 나오는 ‘희생자 추정 유해’···제주항공 유가족들 ‘분통’